FAG 4305 Bearing
FAG 4305 Bearing Size Details:
- Brand:
- FAG Bearing
- Category:
- Deep Groove Ball Bearings
- Model:
- 4305
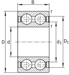
- d:
- 25 mm
- D:
- 62 mm
- B:
- 24 mm
- Cr:
- 31500 N
- C0r:
- 22400 N
- Grease RPM:
- 10000 1/min
- m:
- 0.336 kg
- New Model:
- 4305-B-TVH
- Old Model:
- 4305
We export high quantities FAG 4305 Bearing and relative products, we have huge stocks for FAG 4305 Bearing and relative items, we supply high quality FAG 4305 Bearing with reasonbable price or we produce the bearings along with the technical data or relative drawings, It's priority to us to supply best service to our clients. If you are interested in FAG 4305 Bearing,please email us allenbearing@allen-bearing.com so the suppliers will contact you directly.
Related Products:FAG 4206 TIMKEN YAE50RRB
TIMKEN HM89448/HM89410
IKO KTW222625
SKF 6021N
NSK 7009C
NACHI 145TAD20
SKF 697-2Z
KOYO 17R2220
FAG 4205
FAG 4305 Bearing Drawing:

Hot products
- KOYO 7321BDT
- INA SL024922
- NTN HK5022L
- NSK NA4930
- IKO RNA4914U
- SKF 24052CC/W33
- KOYO 24032RHK30
- FAG NU1012M1
- KOYO 46T30324JR/101
- IKO TRU254425UU
- NTN QJ210
- FAG Z-556919-A
- TIMKEN 3767/3720-B
- SKF RNA69/22
- SKF LBCD12A-2LS
- KOYO 7938CDT
- NTN 5209S
- KOYO 09078/09195
- FAG AH31/900A-H
- NTN RNA4914R
- INA ZKLN3062.2RS2AP

